首页 > 最新动态 > 山西省《首店经济认定规范》团体标准9月1日起正式实施
最新动态
山西省《首店经济认定规范》团体标准9月1日起正式实施
2025-09-1029

点击上方蓝字关注我们


山西省零售商行业协会发布的《首店经济认定规范》团体标准9月1日正式实施。

该标准在省商务厅指导,山西省零售商行业协会牵头,联合山西省流通和消费促进中心、山西财经大学及太原万象城、王府井百货、美特好超市等20余家政企单位共同起草,历经多轮调研与论证,涵盖首店经济全链条管理要求。一经发布,就受到社会各界的高度关注,山西省人民政府、山西省商务厅、山西日报、山西发布、山西卫视山西新闻联播等进行了报道。

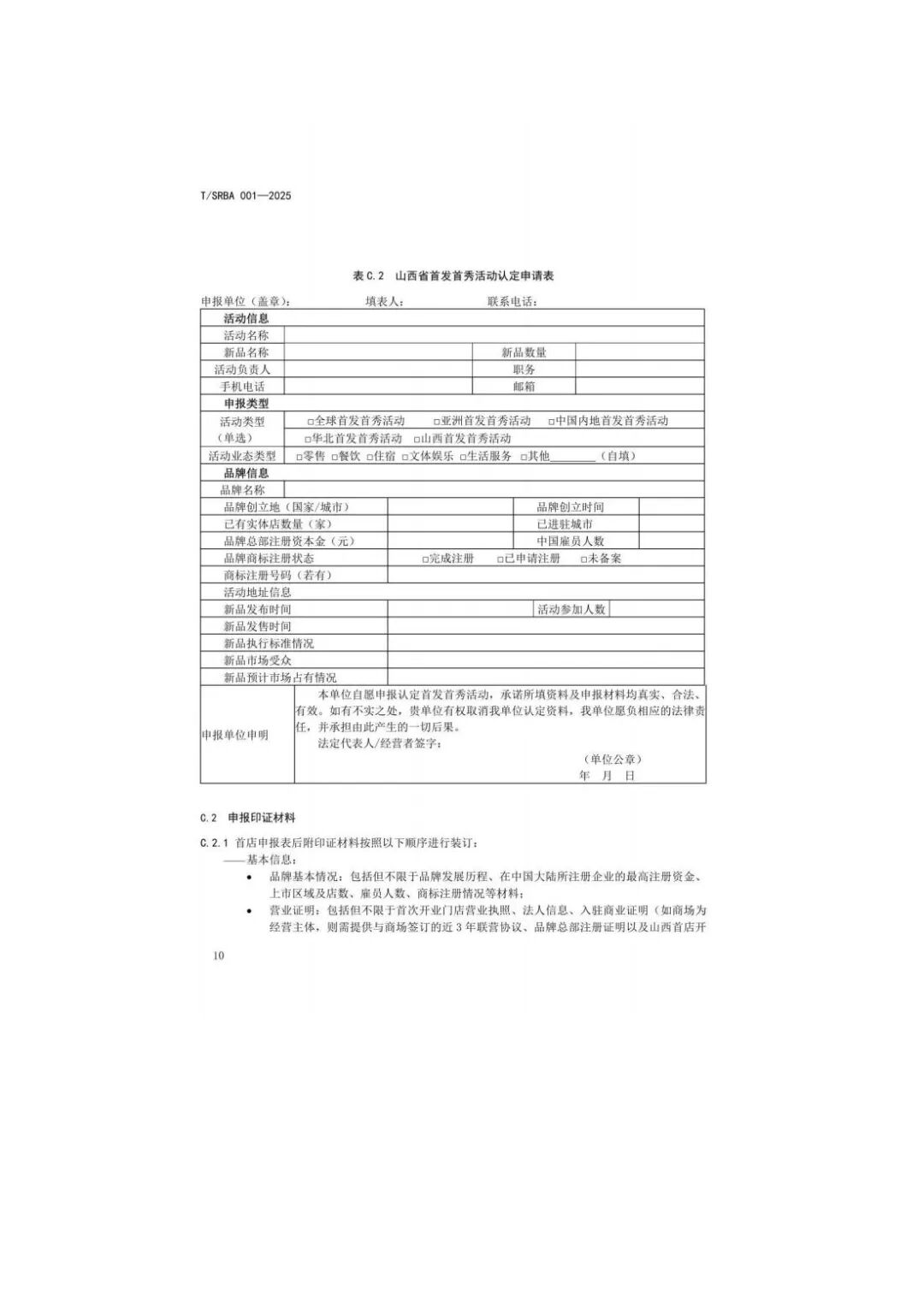
标准首次明确首店分类体系,将首店分为品牌首店、旗舰首店、概念首店三大类,按区域划分为全球、亚洲、中国内地、华北、山西五个层级,同时对首发首秀活动进行同等层级划分。

在认定条件上,标准设置了量化门槛,如品牌首店需经营面积80平方米以上、开业投资超100万元、带动就业3人以上;旗舰首店和概念首店面积需200平方米以上(省级步行街等特殊场景150平方米以上)、投资超200万元、带动就业8人以上,且不同层级首店对品牌创立时间、外地区域门店数量有明确要求。

认定流程方面,标准规定每年每季度首月组织一次认定,申报主体可为门店、商场街区或品牌方,需经过材料申报、初审、专家评审、复核公示(不少于7个工作日)、正式认定5个环节。

为确保规范运行,标准还建立动态管理机制,首店称号有效期3年,持有者需按要求提交季度及年度报告;对提供虚假材料、违法违规、不再符合认定条件等情况,认定机构将撤销其称号并公示。

相关媒体报道链接:

1、山西省人民政府:

山西省级首店经济认定规范正式实施

2、山西省商务厅:我省省级首店经济认定规范正式实施

3、山西日报:

https://nginx-sxrb.app.sxrbw.com/sxrb/site1/m/c4/a26291.html?paperId=1&paperType=0&colId=4&xyt=1757296622223

4、山西发布:

山西省级首店经济认定规范正式实施

官网查阅链接:
http://www.sxlss.com/index.php?m=home&c=View&a=index&aid=2563

END

点我访问原文链接